FWA 150V 70-1000A
| Electrical Characteristics | Ordering Information | Dimensions | ||||||
|---|---|---|---|---|---|---|---|---|
| Type | Rated current RMS-AMPS | l2t (A2 Sec) | Watts loss | Part Number | Carton Qty. | Carton Weight (Lbs) | Figure Number | |
| Pre-arc | Clearing at 150V | |||||||
| FWA 150V | 70 | 470 | 4000 | 6.9 | FWA-70B | 5 | 0.18 | Fig. 1 |
| FWA 150V | 80 | 670 | 6000 | 7.7 | FWA-80B | 5 | 0.18 | Fig. 1 |
| FWA 150V | 100 | 1200 | 12000 | 9.0 | FWA-100B | 5 | 0.18 | Fig. 1 |
| FWA 150V | 125 | 1870 | 18000 | 11.2 | FWA-125B | 5 | 0.18 | Fig. 1 |
| FWA 150V | 150 | 2700 | 26000 | 13.5 | FWA-150B | 5 | 0.18 | Fig. 1 |
| FWA 150V | 200 | 4780 | 45000 | 17.6 | FWA-200B | 1 | 0.18 | Fig. 1 |
| FWA 150V | 250 | 7470 | 70000 | 22.5 | FWA-250B | 1 | 0.18 | Fig. 1 |
| FWA 150V | 300 | 10760 | 100000 | 27.0 | FWA-300B | 1 | 0.18 | Fig. 1 |
| FWA 150V | 350 | 15700 | 140000 | 30.6 | FWA-350B | 1 | 0.18 | Fig. 1 |
| FWA 150V | 400 | 20300 | 180000 | 35.2 | FWA-400B | 1 | 0.18 | Fig. 1 |
| FWA 150V | 500 | 39000 | 120000 | 35.0 | FWA-500A | 5 | 2.42 | Fig. 1 |
| FWA 150V | 600 | 46000 | 140000 | 47.0 | FWA-600A | 5 | 2.42 | Fig. 1 |
| FWA 150V | 700 | 75000 | 220000 | 49.0 | FWA-700A | 5 | 2.42 | Fig. 1 |
| FWA 150V | 800 | 92000 | 280000 | 58.0 | FWA-800A | 5 | 2.42 | Fig. 1 |
| FWA 150V | 1000 | 170000 | 510000 | 60.0 | FWA-1000A | 5 | 2.42 | Fig. |
1 kg = 2.2 lbs 1 lb = 0.45 kg• Interrupting rating 100kA RMS Symmetrical for ampere ratings 70-400.
• Interrupt rating 200kA RMS Symmetrical for ampere ratings 450-1000.
• Watts loss provided at rated current.
• (150 Vdc/Interrupting rating 20kA) U.L. Recognition on 70 - 800 amperes.
• (80 Vdc/Interrupting rating 100kA) U.L. Recognition on 70 - 400 amperes.
Electrical Characteristics
|
Total Clearing I2t
The total clearing I2t at rated voltage and
at power factor of 15% are given in the
electrical characteristics. For other volt-
ages,the clearing I2t is found by multi-
plying by correction factor, K, given as
a function of applied working voltage,
Eg, (RMS).
|
Arc Voltage
This curve gives the peak arc voltage,
UL, which may appear across the fuse
during its operation as a function of the
applied working voltage, Eg, (RMS) at a
power factor of 15%.
|
Power Losses
Watts loss at rated current is given in
the electrical characteristics. The curve
allows the calculation of the power
losses at load currents lower than the
rated current . The correction factor, Kp,
is given as a function of the RMS load
current, Ib, in % of the rated current .
|

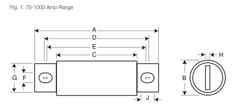
Dimensions
Dimension in inches.
1mm = 0.0394· 1· = 25.4mm
1mm = 0.0394· 1· = 25.4mm
| Order # | Fig. | A | B | C | D | E | F | G | H | J |
|---|---|---|---|---|---|---|---|---|---|---|
| FWA-70B-400B | 1 | 2.656 | 1.000 | 1.156 | 2.188 | 1.936 | 0.312 | 0.750 | 0.125 | 0.438 |
| FWA-500A-1000A | 1 | 3.476 | 1.500 | 1.250 | 2.579 | 1.927 | 0.433 | 1.000 | 0.250 | 0.764 |
![]()