Bussmann series
AAO Industrial HRC fuse links
Product description
A range of British standard fuse links size A2 for
the protection of general industrial applications
e.g. power distribution, cable protection, motor
protection.
Standard features
• Good peak let-through current limitation
• 1:1:6 Selective coordination ratio between
“minor” and “major” fuse
• gG characteristics for cable protection and
gM for motor protection applications
• Power loss values within the limits of IEC
60269
Catalogue symbol
AAO(Amps)
Technical data
Rated voltage:
• 550 V a.c. (2 to 32 A)
• 500 V a.c. (32M40 to 32M63)
Rated current: 2 to 32 A
Class of operation:
• gG
• gM
Breaking capacity: 80 kA
BS reference: A2
Standards/approvals
• BS88
• IEC 60269
• Suitable for use in RoHS compliant applications
Fuse holders (ordered separately)
• RS32H (Red spot fuse holder)
• CM32F (Camaster fuse holder)
Packaging:
MOQ 20
Table 1. Technical data
| Catalogue Number | Rated voltage | Rated current (Amps) | Breaking capacity | Energy integrals l2t (A2S) | Watts loss(W) | BS Reference | Product Class | Weight (grams) | ||
|---|---|---|---|---|---|---|---|---|---|---|
| Pre-arcing | Total at 415 V a.c | Total at 550 V a.c. | ||||||||
| AAO2 | 550 Va.c. | 2 | 80 kA at 550 V a.c. | 1.4 | 4.7 | 5 | 0.9 | A2 | gG | 20g |
| AAO4 | 550 Va.c. | 4 | 80 kA at 550 V a.c. | 8 | 26 | 30 | 1.4 | A2 | gG | 20g |
| AAO6 | 550 Va.c. | 6 | 80 kA at 550 V a.c. | 28 | 100 | 115 | 1.8 | A2 | gG | 20g |
| AAO10 | 550 Va.c. | 10 | 80 kA at 550 V a.c. | 125 | 400 | 500 | 2.1 | A2 | gG | 20g |
| AAO16 | 550 Va.c. | 16 | 80 kA at 550 V a.c. | 120 | 470 | 750 | 1.8 | A2 | gG | 20g |
| AAO20 | 550 Va.c. | 20 | 80 kA at 550 V a.c. | 260 | 1100 | 1700 | 1.9 | A2 | gG | 20g |
| AAO25 | 550 Va.c. | 25 | 80 kA at 550 V a.c. | 570 | 2300 | 3500 | 2.1 | A2 | gG | 20g |
| AAO32 | 550 Va.c. | 32 | 80 kA at 550 V a.c. | 710 | 3000 | 5000 | 3.1 | A2 | gG | 20g |
| AAO32M40 | 500 Va.c. | 32M40 | 80 kA at 500 V a.c. | 1400 | 3800 | 5000 | 3 | A2 | gM | 50g |
| AAO32M50 | 500 Va.c. | 32M50 | 80 kA at 500 V a.c. | 3000 | 8500 | 11000 | 2 | A2 | gM | 50g |
| AAO32M63 | 500 Va.c. | 32M63 | 80 kA at 500 V a.c. | 7000 | 18000 | 24800 | 1.4 | A2 | gM | 50g |
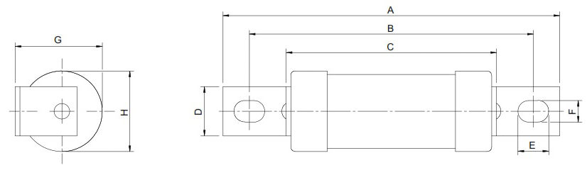
Dimensions-mm
| Catalogue Number | A | B | C | D | E | F | G | H |
|---|---|---|---|---|---|---|---|---|
| AAO2-32 | 85 | 73 | 35.5 | 8.7 | 8 | 5.5 | 14 | 13.7 |
| AAO32M40-63 | 85 | 73.5 | 54.5 | 8.7 | 8 | 5.5 | 22.3 | 21 |


![]()