DFJ Class J high speed fuses
Catalog symbol:
• DFJ-_
Description:
The Bussmann™ series DFJ drive fuse is a
high speed, current-limiting fuse that provides
maximum protection for AC and DC drives
and controllers and meet NEC® branch circuit
protection requirements. The drive fuse has the
lowest I2t of any branch circuit fuse to protect
power semiconductor devices that utilize
diodes, GTOs, SCRs and SSRs.
Specifications:
Ratings
• Volts
• 600Vac (or less)
• 450Vdc (or less, 15-600A)
• Amps 1-600A
• IR
• 200kA RMS Sym.
• 100kA DC
Agency information
• UL® Listed Standard 248-8, Class J,
Guide JDDZ, File E4273
• CSA® Certified, C22.2 No. 248.8,
Class 1422-02, File 53787
• RoHS compliant
• CE
Features:
• Easily coordinated with existing and new
variable speed drives and electric controllers.
• Standard Class J dimensions allow using
readily available fuse blocks, holders and switches.
• Has the lowest let-through energy of any
branch circuit overcurrent protective device.
Typical applications
• Protection of AC and DC drives
• Equipment using power semiconductor devices
| Catalog numbers (amps) | |||
| DFJ-1 | DFJ-15 | DFJ-60 | DFJ-200 |
| DFJ-2 | DFJ-17.5 | DFJ-70 | DFJ-225 |
| DFJ-3 | DFJ-20 | DFJ-80 | DFJ-250 |
| DFJ-4 | DFJ-25 | DFJ-90 | DFJ-300 |
| DFJ-5 | DFJ-30 | DFJ-100 | DFJ-350 |
| DFJ-6 | DFJ-35 | DFJ-110 | DFJ-400 |
| DFJ-8 | DFJ-40 | DFJ-125 | DFJ-450 |
| DFJ-10 | DFJ-45 | DFJ-150 | DFJ-500 |
| DFJ-12 | DFJ-50 | DFJ-175 | DFJ-600 |
| Amp rating | Carton qty |
| 1-60 | 10 |
| 70-200 | 5 |
| 225-600 | 1 |
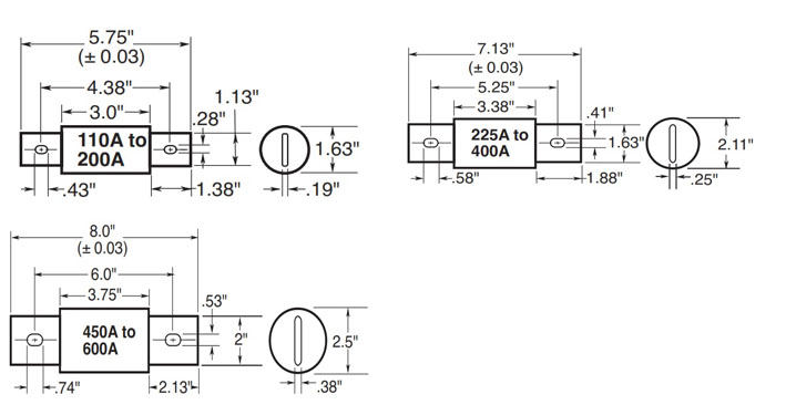
Dimensions – in :


Electrical characteristics:
| Catalog numbers | Amps | l2t (A2Sec)@600Vac/100kA | Watts loss | |
| Pre-arc | Clearing | |||
| DFJ-15 | 15 | 4 | 110 | 4.1 |
| DFJ-20 | 20 | 8 | 365 | 4.0 |
| DFJ-25 | 25 | 12 | 610 | 4.9 |
| DFJ-30 | 30 | 20 | 1000 | 5.5 |
| DFJ-35 | 35 | 55 | 1100 | 6.8 |
| DFJ-40 | 40 | 90 | 1900 | 8.6 |
| DFJ-50 | 50 | 140 | 2800 | 8.7 |
| DFJ-60 | 60 | 290 | 6000 | 8.5 |
| DFJ-70 | 70 | 450 | 3100 | 12 |
| DFJ-80 | 80 | 650 | 4600 | 13 |
| DFJ-90 | 90 | 1010 | 7200 | 13 |
| DFJ-100 | 100 | 1460 | 10.500 | 13 |
| DFJ-110 | 110 | 1710 | 9500 | 17 |
| DFJ-125 | 125 | 3580 | 20.000 | 15 |
| DFJ-150 | 150 | 5080 | 28.000 | 19 |
| DFJ-175 | 175 | 6310 | 35.000 | 23 |
| DFJ-200 | 200 | 9850 | 54.500 | 24 |
| DFJ-225 | 225 | 11.420 | 51.000 | 29 |
| DFJ-250 | 250 | 17.000 | 74.500 | 30 |
| DFJ-300 | 300 | 23.500 | 103.000 | 36 |
| DFJ-350 | 350 | 38.800 | 170.000 | 39 |
| DFJ-400 | 400 | 62.200 | 272.000 | 40 |
| DFJ-450 | 450 | 44.600 | 270.000 | 56 |
| DFJ-500 | 500 | 79.500 | 480.000 | 52 |
| DFJ-600 | 600 | 138.000 | 830.000 | 77 |
Recommended fuse blocks and holders:
| Fuse amps | 1-Pole | 2-Pole | 3-Pole |
| "Pyramid" blocks | |||
| Up to 30 | - | - | JP60030-3_ |
| CH holders | |||
| up to 30 | CH30J1_ | CH30J2_ | CH30J3_ |
| 35-60 | CH60J1_ | CH60J2_ | CH60J3_ |
| Safety J holders | |||
| up to 30 | JT60030_ | - | - |
| 35-60 | JT60060_ | - | - |
| JM modular fuse blocks | |||
| up to 30 | JM60030-1_ | JM60030-2_ | JM60030-2_ |
| 35-60 | JM60060-1CR | JM60060-2CR | JM60060-3CR |
| 70-100 | JM60100-1CR | JM60100-2CR | JM60100-3CR |
| 110-200 | JM60200-1CR | JM60200-2CR | JM60200-3CR |
| 225-400 | JM60400-1CR | JM60400-2CR | JM60400-3CR |
| 450-600 | JM60600-1CR | JM60600-2CR | JM60100-3CR |
| JM power distribution fuse blocks | |||
| up to 30 | JM60030-1MW_ | JM60030-2MW_ | JM60030-3MW_ |
| 35-60 | JM60060-1MW_ | JM60060-2MW_ | JM60060-3MW_ |
| 70-100 | JM60100-1MW14 | JM60100-2MW14 | JM60100-3MW14 |
| 110-200 | JM60200-1MW16 | JM60200-2MW16 | JM60200-3MW16 |
| 225-400 | JM60400-1MW16 | JM60400-2MW16 | JM60400-3MW16 |
| JM60400-1MW26* | JM60400-2MW26* | JM60400-3MW26* | |
Time-current curves — average melt

Current-limitation curves