JKS — 600Vac, 1-60A, Fast-Acting Fuses
Description: Advanced protection Class J curent-limiting,
fast-acting fuses.
Catalog Symbol: JKS-(amp)
Ratings:
Volts — 600Vac
Amps — 1-60A
IR — 200kA Vac RMS Sym.
Agency Information:
CE, UL Listed, Std. 248-8, Class J, Guide JDDZ, File E4273
CSA Certified, C22.2 No. 248.8, Class 1422-02, File 53787
Features:
• Provides 10X better current limitation to help prevent
equipment damage caused by short-circuit events.
• 200kA Interrupting rating complies with NEC® Section 110.9
for today's large capacity systems.
• Fast-acting fuse helps prevent equipment damage caused
by short-circuit events.
• Ideal for critical industrial or commercial applications that
have specific current limitation requirements.
| Catalog numbers (amps) | ||
| JKS-1 | JKS-8 | JKS-30 |
| JKS-2 | JKS-10 | JKS-35 |
| JKS-3 | JKS-12 | JKS-40 |
| JKS-4 | JKS-15 | JKS-45 |
| JKS-5 | JKS-20 | JKS-50 |
| JKS-6 | JKS-25 | JKS-60 |
Carton Quantity:
| Amp rating | Carton qty |
| 1-60 | 10 |
Dimensions – in :

Recommended fuse blocks and holders:
| Fuse amps | 1-Pole | 2-Pole | 3-Pole |
| Open blocks | |||
| Up to 30 | J60030-1_ | J60030-2_ | J60030-3_ |
| 35 to 60 | J60060-1_ | J60060-2_ | J60060-3_ |
| "Pyramid"Blocks | |||
| 0 to 30 | - | - | JP60030-3_ |
| CH Series Holder | |||
| 0 to 30 | CH30J1_ | CH30J2_ | CH30J3_ |
| 35-60 | CH60J1_ | CH60J2_ | CH60J3_ |
| Safety J™ Holders | |||
| 0 to 30 | JT60030_ | - | - |
| 35-60 | JT60060_ | - | - |
For additional information on the Class J fuse blocks and
holders, see data sheets # 1114 (open blocks), #1108
(pyramid blocks), # 2144 (CH Series) and # 1152 (Safety J).
Fuse Reducers For Class J Fuses
| Equipment Fuse Clips | Desired Fuse (Case) Size | Catalog Numbers (Pair) |
| 60A | 30A | J-63 |
| 100A | 30A | J-13 |
| 100A | 60A | J-16 |
| 200A | 60A | J26† |
† Not for bolt-in applications.
Time-Current Curves - Average Melt


| Prosp. S.C.C. | Let-Through Current (Apparent RMS Symmetrical vs. Fuse Rating) | |
| - | 30A | 60A |
| 5000 | 1000 | 1000 |
| 10,000 | 1000 | 2000 |
| 15,000 | 1000 | 2000 |
| 20,000 | 1000 | 2000 |
| 25,000 | 2000 | 3000 |
| 30,000 | 2000 | 3000 |
| 35,000 | 2000 | 3000 |
| 40,000 | 2000 | 3000 |
| 50,000 | 2000 | 3000 |
| 60,000 | 2000 | 3000 |
| 70,000 | 2000 | 3000 |
| 80,000 | 2000 | 3000 |
| 90.000 | 2000 | 4000 |
| 100,000 | 2000 | 4000 |
| 150,000 | 2000 | 5000 |
| 200,000 | 3000 | 5000 |
JKS — 600Vac, 70-600A, Fast-Acting Fuses
Description: Advanced protection Class J current-limiting,
fast-acting fuses.
Catalog Symbol: JKS-(amp)
Ratings:
Volts — 600Vac
Amps — 70-600
IR — 200kA Vac RMS Sym.
Agnecy Information:
CE, UL Listed Class J (Guide # JDDZ, File # E4273)
CSA HRCI-J (Class 1422-02, File # 53787)
Features:
• Provides 10X better current limitation to help prevent
equipment damage caused by short-circuit events.
• 200kA Interrupting rating complies with NEC® Section 110.9
for today's large capacity systems.
• Fast-acting fuse helps prevent equipment damage caused
by short-circuit events.
• Ideal for critical industrial or commercial applications that
have specific current limitation requirements.
| Catalog numbers (amps) | |||
| JKS-70 | JKS-125 | JKS-250 | JKS-500 |
| JKS-80 | JKS-150 | JKS-300 | JKS-600 |
| JKS-90 | JKS-175 | JKS-350 | |
| JKS-100 | JKS-200 | JKS-400 | |
| JKS-110 | JKS-225 | JKS-450 | |
Carton Quantity:
| Amp rating | Carton Qty |
| 70-100 | |
| 110-600 |
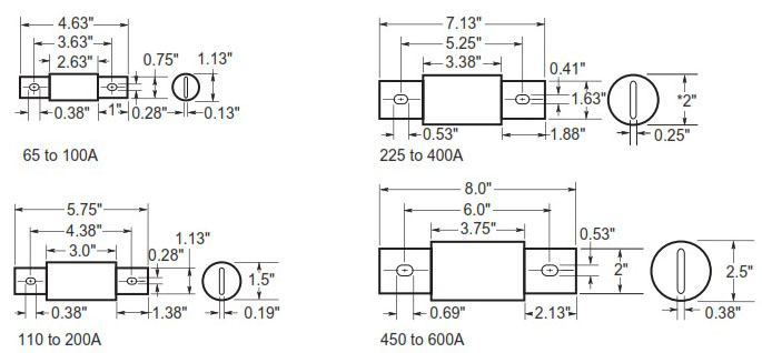
Dimensions – in :

Recommended fuse blocks and holders:
| Fuse amps | 1-Pole | 2-Pole | 3-Pole |
| 70-100 | JM60100-1CR | JM60100-2CR | JM60100-3CR |
| 110-200 | JM60200-1CR | JM60200-2CR | JM60200-3CR |
| 225-400 | JM60400-1CR | JM60400-2CR | JM60400-3CR |
| 450-600 | JM60600-1CR | JM60600-2CR | JM60600-3CR |
For additional information on the JM Series of fuse blocks, see
product brochure # 3192.
Fuse Reducers For Class J Fuses
| Equipment Fuse Clips | Desired Fuse (Case) size | Catalog Number (Pairs) |
| 100A | 30A | J13 |
| 100A | 60A | J16 |
| 200A | 60A | J26† |
| 200A | 100A | J21† |
| 400A | 100A | J41† |
| 400A | 200A | J42† |
| 600A | 200A | J62† |
| 600A | 400A | J64† |
† Not for bolt-in applications.


| Prosp. S.C.C. | Let-Through Current (Apparent RMS Symmetrical vs. Fuse Rating) | |||
| - | 100A | 200A | 400A | 600A |
| 5000 | 2000 | 3000 | 4000 | 5000 |
| 10,000 | 3000 | 4000 | 6000 | 9000 |
| 15,000 | 3000 | 4000 | 7000 | 10,000 |
| 20,000 | 3000 | 5000 | 8000 | 11,000 |
| 25,000 | 3000 | 6000 | 9000 | 12,000 |
| 30,000 | 3000 | 6000 | 9000 | 13,000 |
| 35,000 | 4000 | 6000 | 9000 | 13,000 |
| 40,000 | 4000 | 7000 | 10,000 | 14,000 |
| 50,000 | 4000 | 7000 | 10,000 | 15,000 |
| 60,000 | 5000 | 7000 | 11,000 | 16,000 |
| 70,000 | 5000 | 8000 | 11,000 | 17,000 |
| 80,000 | 5000 | 8000 | 12,000 | 17,000 |
| 90.000 | 6000 | 9000 | 13,000 | 18,000 |
| 100,000 | 6000 | 9000 | 13,000 | 18,000 |
| 150,000 | 6000 | 9000 | 14,000 | 22,000 |
| 200,000 | 7000 | 10,000 | 16,000 | 24,000 |