Low-Peak™ LPJ Class J 600Vac/300Vdc, 1-60A,
dual element, time-delay fuses
Catalog symbol:
• LPJ-(amp)SP (non-indicating)
• LPJ-(amp)SPI (indicating)
Description:
Bussmann® series Ultimate protection LPJ Class
J dual element, current-limiting, time-delay fuses
available with optional open fuse indication.
Time-delay– 10 seconds (minimum) at 500% of rated
current.
Specifications:
Ratings
• Volts
• 600Vac
• 300Vdc
• Amps 1-60A
• IR
• 300kA Vac RMS Sym.
• 100kA Vdc
Agency information
• UL® Listed, Guide JDDZ, File E4273
• CSA® Certified, Class 1422-02, File 53787,
Class J per CSA 22.2 No. 248.
• CE
• RoHS compliant
Features:
• Industry’s only UL Listed and CSA Certified fuse
with a 300kA interrupting rating that allows for
simple, worry-free installation in virtually any
application.
• Fast short-circuit protection and dual-element,
time-delay performance provide ultimate protection.
• Reduces existing fuse inventory by up to 33%
when upgrading to Low-Peak fuses.
• Consistent 2:1 ampacity ratios for all Low-Peak
fuses make selective coordination easy.
• Long time-delay minimizes needless fuse
openings due to temporary overloads and transient surges.
• Current-limitation protects downstream components against
damaging thermal and magnetic effects of short-circuit currents.
• Dual-element fuses have lower resistance than ordinary fuses
so they run cooler. They can often be sized for back-up
protection against motor burnout from overload or single-phasing
if other overload protective devices fail.
• Proper sizing can provide “no damage” Type 2 coordinated protection
for NEMA® and IEC® motor controllers.
• Space-saving package for equipment downsizing.
| Catalog numbers (amps) - non-indicating fuses | |||
| LPJ-1SP | LPJ-3SP | LPJ-7SP* | LPJ-25SP* |
| LPJ-1-1/4SP | LPJ-3-2/10SP | LPJ-8SP* | LPJ-30SP* |
| LPJ-1-6/10SP | LPJ-3-1/2SP | LPJ-9SP* | LPJ-35SP* |
| LPJ-1-8/10SP | LPJ-4SP | LPJ-10SP* | LPJ-40SP* |
| LPJ-2SP | LPJ-4-1/2SP | LPJ-12SP* | LPJ-45SP* |
| LPJ-2-1/4SP | LPJ-5SP | LPJ-15SP* | LPJ-50SP* |
| LPJ-2-1/2SP | LPJ-5-6/10SP | LPJ-17-1/2SP* | LPJ-60SP* |
| LPJ-2-8/10SP | LPJ-6SP* | LPJ-20SP* | |
* Open fuse indication available by inserting the suffix''I''
Carton quantity:
| Amp rating | Carton qty |
| 1-60 | 10 |
Dimensions – in :

Recommended fuse blocks and holders:
| Fuse amps | 1-Pole | 2-Pole | 3-Pole |
| Modular open blocks with optional covers | |||
| 0-30 | JM60030-1_ | JM60030-2_ | JM60030-3_ |
| 35-60 | JM60060-1_ | JM60060-2_ | JM60060-3_ |
| "Pyramid"blocks | |||
| up to 30 | - | - | JP60030-3_ |
| CH holders | |||
| 0-30 | CH30J1_ | CH30J2_ | CH30J3_ |
| 35-60 | CH60J1_ | CH60J2_ | CH60J3_ |
| Safety J™ holders | |||
| 0-30 | JT60030_ | - | - |
| 35-60 | JT60060_ | - | - |
For additional information on the Class J fuse blocks and holders,
see data sheets no. 10289 (modular open blocks), no.1108 (pyramid
blocks), no. 2144 (CH) and no. 1152 (Safety J).
Fuse reducers for Class J fuses:
| Equipment Fuse Clips | Desire Fuse (Case) size | Catalog Number (pairs) |
| 60A | 30A | J-63 |
| 100A | 30A | J-13 |
| 100A | 60A | J-16 |
| 200A | 60A | J-26† |
† Not for bolt-in applications.

Current-limiting effects:
| Prospective S.C.C. | Let-Through current (apparent RMS symmetrical vs. fuse rating) | ||
| 15A | 30A | 60A | |
| 1000 | 1000 | 1000 | 1000 |
| 3000 | 1000 | 1000 | 1000 |
| 5000 | 1000 | 1000 | 1000 |
| 10,000 | 1000 | 1000 | 2000 |
| 15,000 | 1000 | 1000 | 2000 |
| 20,000 | 1000 | 1000 | 2000 |
| 25,000 | 1000 | 1000 | 2000 |
| 30,000 | 1000 | 1000 | 2000 |
| 35,000 | 1000 | 1000 | 2000 |
| 40,000 | 1000 | 2000 | 3000 |
| 50,000 | 1000 | 2000 | 3000 |
| 60,000 | 1000 | 2000 | 3000 |
| 80,000 | 1000 | 2000 | 3000 |
| 100,000 | 1000 | 2000 | 4000 |
| 150,000 | 1000 | 2000 | 4000 |
| 200,000 | 2000 | 3000 | 4000 |
| 250,000 | 2000 | 3000 | 5000 |
| 300,000 | 2000 | 3000 | 5000 |
Low-Peak™ LPJ Class J 600Vac/300Vdc,
70-600A, dual element, time-delay fuses
Catalog symbols:
• LPJ-(amp)SP (non-indicating)
• LPJ-(amp)SPI (indicating)
Description:
Bussmann® series Ultimate protection LPJ Class
J dual element, current-limiting, time-delay fuses
available with optional open fuse indication. Time-
delay – 10 seconds (minimum) at 500% of rated
current.
Specifications:
Ratings
• Volts
• 600Vac
• 300Vdc
• Amps 70-600A
• IR
• 300kA Vac RMS Sym.
• 100kA Vdc
Agency information
• UL® Listed, Guide JDDZ, File E4273
• CSA® Certified, Class 1422-02, File 53787,
Class J per CSA C22.2 No. 248.8
• CE
• RoHS compliant
Features:
• Industry’s only UL Listed and CSA Certified fuse
with a 300kA interrupting rating that allows for
simple, worry-free installation in virtually any
application.
• Fast short-circuit protection and dual-element,
time-delay performance provide ultimate
protection.
• Reduces existing fuse inventory by up to 33%
when upgrading to Low-Peak fuses.
• Consistent 2:1 ampacity ratios for all Low-Peak
fuses make selective coordination easy.
• Long time-delay minimizes needless fuse openings
due to temporary overloads and transient surges.
• Current-limitation protects downstream
components against damaging thermal and
magnetic effects of short-circuit currents.
• Dual-element fuses have lower resistance than
ordinary fuses so they run cooler.
• Can often be sized for back-up protection against
motor burnout from overload or single-phasing if
other overload protective devices fail.
• Proper sizing can provide “no damage” Type 2
coordinated protection for NEMA® and IEC® motor
controllers.
• Space-saving package for equipment downsizing.
| Catalog numbers (amps) - non-indicating fuses | |||
| LPJ-70SP | LPJ-125SP | LPJ-250SP | LPJ-500SP |
| LPJ-80SP | LPJ-150SP | LPJ-300SP | LPJ-600SP |
| LPJ-90SP | LPJ-175SP | LPJ-350SP | |
| LPJ-100SP | LPJ-200SP | LPJ-400SP | |
| LPJ-110SP | LPJ-225SP | LPJ-450SP | |
| Amp rating | Carton qty |
| 70-200 | 5 |
| 225-600 | 1 |
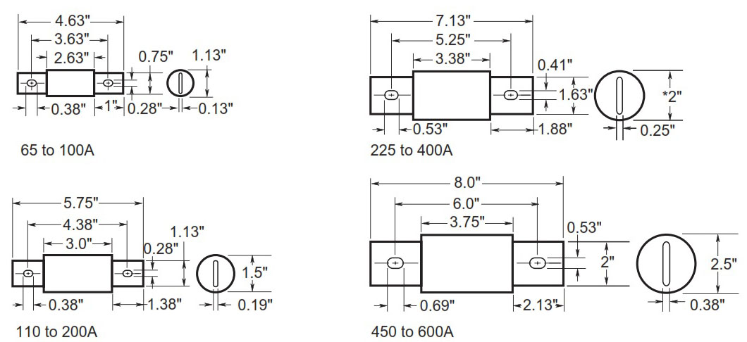
Dimensions – in :

Recommended fuse blocks and holders:
| Fuse amps | 1-Pole | 2-Pole | 3-Pole |
| 70-100 | JM60100-1CR | JM60100-2CR | JM60100-3CR |
| 110-200 | JM60200-1CR | JM60200-2CR | JM60200-3CR |
| 225-400 | JM60400-1CR | JM60400-2CR | JM60400-3CR |
| 450-600 | JM60600-1CR | JM60600-2CR | JM60600-3CR |
For additional information on the JM fuse blocks, see product
brochure no. 3192.
Fuse reducers for Class J fuses:
Fuse reducers for Class J fuses:
| Equipment fuse clips | Desired fuse (case) size | Catalog number (pairs) |
| 100A | 30A | J-13 |
| 100A | 60A | J-16 |
| 200A | 60A | J-26† |
| 200A | 100A | J-21† |
| 400A | 100A | J-41† |
| 400A | 200A | J-42† |
| 600A | 200A | J-62† |
| 600A | 400A | J-64† |
† Not for bolt-in applications.
Current-limitation curves: